
產品分類:三次元振動篩
產品優勢: 食品振動篩整機為304不銹鋼材質也叫全不銹鋼振動篩,采用U型槽子母雙層網分離式網架結構設計,里外拋光,干凈衛生,無毛刺,無死角,密封條為硅膠食品,彈簧外圍加304不銹網
全國統一銷售熱線:0373-268 2333
食品振動篩整機為304不銹鋼材質也叫全不銹鋼振動篩,采用U型槽子母雙層網分離式網架結構設計,里外拋光,干凈衛生,無毛刺,無死角,密封條為硅膠食品,彈簧外圍加304不銹網裙邊。


大漢DH系列食品振動篩產品,經客戶多年使用,獲得大量的一線反饋建議,在自有成熟的篩機制造技術基礎上,大漢機械工程師以滿足客戶需求為標準,多次技術改進,篩分效果更加優越,采用"通用"新型動力激振器,三維動力更加突出,適用范圍更加廣泛,大漢振動篩廠家可根據客戶需求設計特殊型號,無論物料是干是濕,是精細是粗糙,是比重大是比重輕,0-400目都可以篩選,不管是液態,還是漿狀的0-600目都可以過濾。
大漢食品全不銹鋼振動篩系列產品同時配備專門的篩網清理裝置,把堵網率降低,過網率和處理精度得以有效提高。大漢具備特殊型號制造的能力讓顧客有更多的選擇。
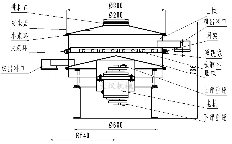
全不銹鋼振動篩由直立式振動電機作為激振源,電機上、下兩端安裝有偏心重錘,將電機的旋轉運動轉變為水平、垂直、傾斜的三次元運動,再把這個運動傳遞給篩面進行篩分。調節上、下兩端的相位角,可以改變物料在篩面上的運動軌跡。

1.效率高、設計精巧耐用,粉類、粘液均可篩分。
2.換網容易、操作簡單、清洗方便。
3.網孔不堵塞、粉末不飛揚、可篩至400目或0.028mm。
4.雜質、粗料自動排出,可以連續作業。
⑴設備應有穩定的基礎。當設備安裝于一般地面或水泥基礎上時,可以不設置地腳螺栓。當設備安裝于鋼結構架臺之上時,應用螺栓緊固于結構體上,而且鋼結構架臺應有一定的鋼度。本機只需三相開關一只(備注:使用電氣控制盤),用蛇皮管穿線,將電機接至電源即可,注意電氣控制盤應懸掛安裝于墻上。
⑵設備出廠前已將篩網裝妥,使用過程中的篩網更換可自己更換。
⑶開機前,應先檢查各壓緊螺栓的緊固程度,及各料口的位置是否與接料器對正,并觀察振動電機是否能正常轉動及彈簧受力有無阻礙,檢查各層篩網是否壓緊。
⑷當旋振篩接入電氣控制盤之前,應首先對電氣控制盤進行檢查。線路接通后觀察振動電機旋轉方向是否是順時針方向, (備注:否則應改變相序)運轉是否正常,有無異噪聲。
⑸調節振動電機上下偏心塊的相位角,以適應各種物料篩分情況。