
產品分類:三次元振動篩
產品優勢: 我公司生產制造粗砂糖振動篩本著質量可靠、價格優惠、服務真誠鑄就成為本公司熱銷產品之一,機裝實心子母分離式網架,歸屬于常見的輕型振動篩分設備,粗砂糖旋振篩粉機也
全國統一銷售熱線:0373-268 2333
我公司生產制造粗砂糖振動篩本著質量可靠、價格優惠、服務真誠鑄就成為本公司熱銷產品之一,機裝實心子母分離式網架,歸屬于常見的輕型振動篩分設備,粗砂糖旋振篩粉機也是很多地區用戶直接稱呼叫法,粗砂糖振動篩采用立式振打電機作為激振源,利用在電機軸上下安裝的兩個不平衡重錘,將電機的旋轉運動轉變為一種復雜的水平、垂直、傾斜的三次元運動,再把這個三次元運動傳遞給篩面,使物料在篩面上做螺旋狀由里向外的漸開線外擴散運動,三次元粗砂糖旋振篩也因此而得名。本公司生產的DH系列粗砂糖振動篩可根據客戶不同需求1-5層同時使用,產品型號齊全,可滿足各種粉末、顆粒篩分需要求及液體過濾需求,也可設計為超聲波振動篩粉機、氣流振動篩粉機、振動篩粉機等機型。粗砂糖振動篩多采用SUS304不銹鋼或Q235A碳鋼作為主要材質。

粗砂糖振動篩是我公司技術部門總結業內振動篩設備先進工藝及廣泛汲取用戶反饋意見的基礎上,不斷升級改進的新型輕型篩分過濾設備,廣泛應用于0-400目的干、濕、精細、粗糙、大小比重粉末、顆粒可輕松篩選,0-600目漿態物料可輕松過濾。

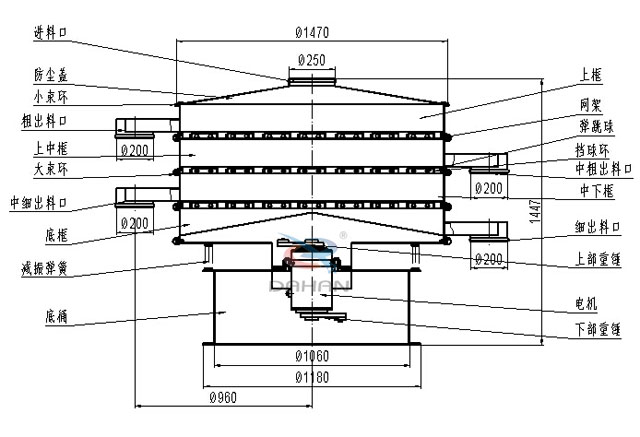
粗砂糖振動篩采用YZUL立式振動電機作為激振源,通過振動電機上下兩端的偏心重錘將旋轉運動轉變為水平、垂直、傾斜的三次元運動,并傳遞到旋振篩的篩面上;物料通過入料口進入設備內,根據不同物料篩分要求,物料經過1-5層采用不同目數的金屬編織篩網的篩分層,在這個過程中,位于各層的篩網下的清網裝置(橡膠彈跳球)通過頻率振動不斷撞擊篩網,使篩網上層物料能夠順暢的透網篩分,并有效解決了物料堵網問題出現,不同目數的物料通過各層對應目數的篩網后在各層的出料口排出,終實現篩選除雜或過濾分級的目的。

1、技術成熟,質量可靠,穩定性高,運行成本低;
2、篩分精度高、效率高,適用篩分過濾各種粉末、顆粒、粘液等物料;
3、設計精巧耐用,噪音低,可連續作業;
4、體積小,不占空間,移動方便;
5、可多層同時使用,高可達5層;
6、換網容易,操作簡單,清洗方便。換網只需3-5分鐘;
7、篩網不堵塞,無粉塵溢散,可篩0-400目或0.028mm;
8、粗料、雜質自動排出,出料口方向可360°方向任意調節改變。
粗砂糖振動篩是一種通用的振動篩分、過濾設備,在粉體、小顆粒以及液體物料都有著良好的應用。本公司生產的DH系列粗砂糖振動篩是在多年生產經驗和結合客戶篩分實際情況的基礎上,并借鑒了日本、德國等國家同類產品的技術特點和綜合了國內國情而研制成功的一種新型高效篩分設備。廣泛適用于化工、醫藥、糧食、食品、金屬、冶金、礦業、公害處理等眾多行業的篩選分級過濾生產工藝,以下針對各行業選出一些代表性物料舉例說明粗砂糖振動篩適用范圍:

化工醫藥行業:樹脂、涂料、工業藥品、化妝品、油漆、中藥粉等;
糧食食品行業:粗砂糖、糖粉、淀粉、食鹽、米粉、奶粉、豆漿、蛋粉、醬油、果汁、小麥、玉米、大豆、花生等;
金屬冶金礦業:粗砂糖、鉛粉、銅粉、礦石、合金粉、焊條粉末、二氧化錳、電解銅粉、電磁性材料、研磨粉、耐火材料、高嶺土、石灰、氧化鋁、重質碳酸鈣、石英砂等;
公害處理行業:廢油、廢水、染整廢水、助劑、活性碳等;


| 型號 | 篩分直徑 (m/m) | 入料粒度(mm) | 轉速(r/min) | 電壓(v) | 功率 (kw) | 處理量 (kg/h) |
| DH-400 | 350 | <10 | 1440 | 380 | 0.18 | 100 |
| DH-600 | 550 | <10 | 1440 | 380 | 0.25 | 500 |
| DH-800 | 750 | <10 | 1440 | 380 | 0.55 | 800 |
| DH-1000 | 920 | <10 | 1440 | 380 | 0.75 | 1400 |
| DH-1200 | 1120 | <10 | 1440 | 380 | 1.1 | 2100 |
| DH-1500 | 1420 | <10 | 1440 | 380 | 1.5 | 2600 |
| DH-1800 | 1720 | <10 | 1440 | 380 | 2.2 | 3300 |
DH系列粗砂糖振動篩型號齊全,篩機主要材質分為SUS304不銹鋼材質或Q235碳鋼材質兩種,大小直徑可從400至1500mm的1-5層的不同型號篩機,還可根據用戶需要設計為加緣式振動篩、閘門式振動篩、塑料振動篩、風冷式振動篩等特殊型號,更可以根據物料特性不同、環境差別、篩分目標不一、場地限制、生產線配置等條件專業為所需用戶設計生產鈦材振動篩、全不銹鋼振動篩等等非標產品。

新鄉大漢機械針對不同用戶物料特性、處理量、篩分目標、場地限制、生產線配置等不同特點的需要,全力以赴為每一位用戶量身打造適合自己使用的振動篩分設備。